I’m not an expert at describing this area. So, I’m going to describe the groundworks here in layman’s terms. Needless to say, the RBC team that did the groundworks for drainage and sewage plant did an amazing job.
The components of the drainage include the following, ability to deal with foul water discharge, rain water discharge, manage run off of surface water into the water meadow at the rear as well as into the highway drainage out at the front.
The components used includes the existing gulley and drainage from the previous house on site. We then installed new surface water and foul water drain runs, pipes for all above as well as man holes. See below picture which provides a high-level summary of the plan.

As mentioned in a previous post, we’ve installed French Drains around the perimeter of the building to ensure surface water/storm water runs off away from the building into the provided highway drainage and water meadow.
The underslab drainage is laid at a gradient of 1:40min for foul pipework and 1:80min for surface water as a general rule.
The underslab drainage is clear of the foundation with long radius bends kept to a minimum and only used where unavoidable. There is one soil pipe at the head of each foul run which is vented to the atmosphere.
All gutters have been fitted with a leaf filter at each outlet to mitigate against the risk of blockage. All foul water and rainwater downpipes have been designed to be accessible above ground for rodding purposes.
We’ve retained some of the existing drainage and used CCTV survey to inspect and clean them including repairing any structural defects.
Finally, all internal access covers have been installed, they will eventually be recessed double sealed and lockable unless otherwise stated.
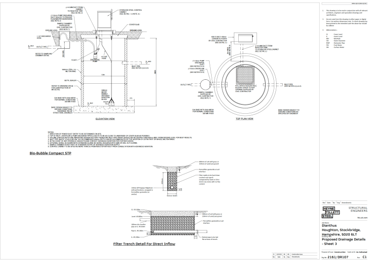
The guys did an amazing job installing the drainage and sewage treatment plant. watching the team install the Bio Bubble Sewage Treatment Plant and connecting the foul water pipes to the plant. It will subsequently be commissioned once we’ve got the electrical connections sorted in the building.
Here is a summary plan of how it works/installed.

We live in a village with no connection to mains sewage. You’re expected to provide your own sewage treatment plant. We looked at various options and our structural engineers recommended this one. It’s got very low carbon footprints and virtually odourless.
Here are some photos below from the groundworks done for both sewage treatment plant and surface water drains and foul water drains.






Burying storm water drains. 







Installing the Sewage Treatment Plant and Drainage